Seria 51100 Łożysko kulkowe
Seria 51100 Łożysko kulkowe
Seria 51100 Łożysko kulkowe

Seria 51100

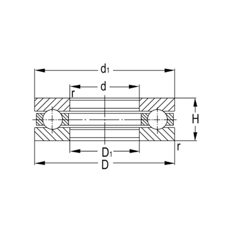
Łożysko kulkowe 51100 jest łożyskiem specjalnie zaprojektowanym do wytrzymania obciążeń osiowych i jest szeroko stosowane w maszynach, samochodach, lotnictwie i innych dziedzinach. Ta seria łożysk składa się z wewnętrznego pierścienia, zewnętrznego pierścienia i zestawu sfery. Konstrukcja kulek umożliwia gładki obrót pod wysokim obciążeniami. Seria 51100 ma doskonałą pojemność obciążenia i odporność na zużycie i jest odpowiednia do działania w warunkach o dużej prędkości i niskiej szumu. Ta seria produktów jest zwykle stosowana w aplikacjach wymagających precyzyjnego pozycjonowania i wysokiej niezawodności, takich jak silniki, reduktory i inne obracające się urządzenia. Ponadto łożyska kulkowe 51100 serii są łatwe w instalacji i utrzymywaniu, i mogą być używane z innymi rodzajami łożysk w celu zaspokojenia różnych potrzeb inżynierskich.

Wyślij zapytanie

Parametry produktu

Oznaczenie Główne wymiary (mm) PoDstawowe oceny obciążenia (kN) Ograniczona prędkość (RPM) Waga
d D T Dynamiczny (cr) Statyczny (cor) Smar Olej (kg)
51103 17 30 9 10.8 18.2 5300 7500 0.024
51104 20 35 10 14.2 24.5 4800 6700 0.036
51105 25 42 11 15.2 30.2 4300 6000 0.055
51106 30 47 11 16 34.2 4000 5600 0.062
51107 35 52 12 18.2 41.5 3800 5300 0.077
51108 40 60 13 26.8 62.8 3400 4800 0.11
51109 45 65 14 27 66 3200 4500 0.14
51110 50 70 14 27.2 69.2 3000 4300 0.15
51111 55 78 16 33.8 89.2 2800 4000 0.22
51112 60 85 17 40.2 108 2600 3800 0.27
51113 65 90 18 40.5 112 2400 3600 0.31
51114 70 95 18 40.8 115 2200 3400 0.33
51115 75 100 19 48.2 140 2000 3200 0.38
51116 80 105 19 48.5 145 1900 3000 0.4

O nas Yinin

Firma łożysk i transmisji Shanghai Yinin Założona w 2009 roku, z ponad 20-letnim doświadczeniem w dziedzinie łożysk. Jesteśmy chińskim Seria 51100 Łożysko kulkowe producentem i zapewniamy dostosowaną Seria 51100 Łożysko kulkowe fabrykę. Od 1999 roku działamy jako agent chińskich producentów łożysk, eksportując różne łożyska. Obecnie rozwinęliśmy się w kompleksową grupę łożyskową integrującą sprzedaż i produkcję.

Zastosowania w branży

Łożyska odgrywają również bardzo ważną rolę w maszynach rolniczych. Służą do obsługi obracających...

Łożyska są szeroko stosowane w samochodach. Są kluczowymi częściami wspierającymi i obracającymi ...

Służy do wsparcia, rotacji, motocyklowej i sprężarki części urządzeń gospodarstwa domowego.

Używane do rotacji i ruchu wsparcia i prowadzenia części sprzętu automatyzacji

W konstrukcjach budowlanych łożyska można użyć do łączenia różnych elementów strukturalnych.

W procesie produkcyjnym żywności i napojów potrzebne są pompy do transportu płynów, a sprężarki s...

Łożyska są używane w silnikach samolotów i statków kosmicznych do obsługi obrotowych komponentów,...

Wewnętrzne przekładnie przekładni, wały, koła sterujące i kostki kierownicze do pojazdów transpor...

Wiadomości i informacje

Dowiedz się więcej

2025-10-30

Application and Selection Recommendations of Deep Groov...
The deep groove ball bearing is the workhorse of the electric motor industry, serving as a critical component in everything from small appliance motors to large industrial drives. Its versatility, rel...

2025-10-24

Deep Groove Ball Bearing Installation Direction and Pre...
Proper installation is the most critical factor determining the performance, accuracy, and service life of a deep groove ball bearing. Unlike tapered roller bearings, a common point of confusion surro...

2025-10-17

How to Judge the Service Life and Wear Degree of Deep G...
Deep groove ball bearings are among the most common and versatile bearing types, found in everything from small electric motors to heavy industrial machinery. Their reliability is critical, but like a...

Skontaktuj się z nami

SUBMIT

Doradztwo techniczne

  • Firma łożysk i transmisji Shanghai Yinin

    Dostosowane rozwiązania

  • Firma łożysk i transmisji Shanghai Yinin

    Ciągłe badania i rozwój

  • Firma łożysk i transmisji Shanghai Yinin

    Kontrola jakości

  • Firma łożysk i transmisji Shanghai Yinin

    Wsparcie techniczne i szkolenia

  • Firma łożysk i transmisji Shanghai Yinin

    Szybka odpowiedź

Jeśli masz jakiekolwiek konsultacje techniczne lub uwagi, udzielimy Ci najbardziej profesjonalnej odpowiedzi tak szybko, jak to możliwe!

Skontaktuj się z nami