Seria 33100 Zwężające się łożysko rolkowe
Seria 33100 Zwężające się łożysko rolkowe
Seria 33100 Zwężające się łożysko rolkowe

Seria 33100

Stożone łożysko rolki z serii 33100 jest łożyskiem o wysokiej wydajności szeroko stosowanej w sprzęcie mechanicznym i ma doskonałą pojemność obciążenia i odporność na zużycie. Ten rodzaj łożyska przyjmuje stożkowy konstrukcja rolki, która może skutecznie rozproszyć obciążenie i dostosować się do dużych sił promieniowych i osiowych. Pierścienie wewnętrzne i zewnętrzne oraz rolki łożysk z serii 33100 są precyzyjne, aby zapewnić dobre dopasowanie i niskie utratę tarcia, przedłużając żywotność usług. Ponadto zapieczętowana konstrukcja łożyska zapobiega wtargnięciu pyłu i zanieczyszczeń, zapewniając niezawodność w trudnych środowiskach. Jest powszechnie stosowany w branży samochodowej, wydobywczej, metalurgii i innych branżach i jest szczególnie odpowiednia do warunków pracy w wysokim obciążeniu i wysokiej temperaturze. Dzięki odpowiedniemu smarowaniu i konserwacji, zwężające się łożyska rolkowe z serii 33100 może zapewnić doskonałą wydajność i stabilną działanie, spełniając wysokie wymagania dotyczące łożysk we współczesnym przemysłu.

Wyślij zapytanie

Parametry produktu

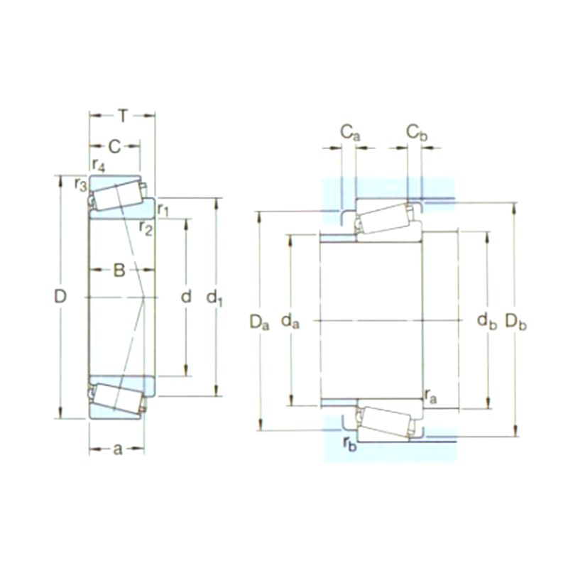
OznAczminie Główne wymiary (mm) PoDstawowe oceny obciążenia (kN) Pu Oceny prędkości (RPM) Waga (kg) ISO335 Wymiary (mm) Wymiary tytułu i filetu (mm) Wartość
D1 D B DYC (CR) STC (COR) Oceny prędkości Ograniczanie prędkości Wymiary (ABMA) d D1 ~ B C R1,2 (min) R3,4 (min) a DA (Max) db (min) Da (min) DA (Max) Db (min) CA (min) CB (min) RA (Max) RB (Max) e Y Yo
33108/q 40 75 26 91,5 104 11,4 7000 9000 0,51 2ce 40 57,5 26 20,5 1,5 1,5 18 47 47 65 68 71 4 5,5 1,5 1,5 0,35 1,7 0,9
33109/q 45 80 26 96,5 114 12,9 6700 8000 0,56 3ce 45 62,7 26 20,5 1,5 1,5 19 52 52 69 73 77 4 5,5 1,5 1,5 0,37 1,6 0,9
33110/q 50 85 26 100 122 13,4 6000 7500 0,59 3ce 50 67,9 26 20 1,5 1,5 20 57 57 74 78 82 4 6 1,5 1,5 0,4 1,5 0,8
33111/q 55 95 30 110 156 17,6 5000 6700 0,86 3ce 55 75,1 30 23 1,5 1,5 22 63 62 83 88 91 5 7 1,5 1,5 0,37 1,6 0,9
33112/q 60 100 30 134 170 19,6 5300 6300 0,92 3ce 60 80,4 30 23 1,5 1,5 23 67 67 88 93 96 5 7 1,5 1,5 0,4 1,5 0,8
33113/q 65 110 34 142 208 24 4300 5600 1,30 3de 65 87,9 34 26,5 1,5 1,5 26 74 72 96 103 106 6 7,5 1,5 1,5 0,4 1,5 0,8
33114/q 70 120 37 172 250 30 4000 5300 1,70 3de 70 94,8 37 29 2 1,5 28 80 79 104 112 115 6 8 2 1,5 0,37 1,6 0,9
33115/q 75 125 37 176 265 31,5 3800 5000 1,80 3de 75 100 37 29 2 1,5 29 84 84 109 117 120 6 8 2 1,5 0,4 1,5 0,8
33116/q 80 130 37 179 280 32,5 3600 4800 1,90 3de 80 105 37 29 2 1,5 30 89 89 114 122 126 6 8 2 1,5 0,43 1,4 0,8
33116TN9/Q. 80 130 37 179 280 32,5 3600 4800 1,90 3de 80 105 37 29 2 1,5 30 89 89 114 122 126 6 8 2 1,5 0,43 1,4 0,8
33117/q 85 140 41 220 340 38 3400 4500 2,45 3de 85 112 41 32 2,5 2 32 95 95 122 130 135 7 9 2 2 0,4 1,5 0,8
33118/q 90 150 45 251 390 43 3000 4300 3,10 3de 90 120 45 35 2,5 2 35 101 101 130 140 144 7 10 2 2 0,4 1,5 0,8
33118TN9/Q. 90 150 45 251 390 43 3000 4300 3,10 3de 90 120 45 35 2,5 2 35 101 101 130 140 144 7 10 2 2 0,4 1,5 0,8
33122 110 180 56 369 630 67 2600 3400 5,55 3ee 110 146 56 43 2,5 2 44 121 121 155 170 174 9 13 2 2 0,43 1,4 0,8

O nas Yinin

Firma łożysk i transmisji Shanghai Yinin Założona w 2009 roku, z ponad 20-letnim doświadczeniem w dziedzinie łożysk. Jesteśmy chińskim Seria 33100 Zwężające się łożysko rolkowe producentem i zapewniamy dostosowaną Seria 33100 Zwężające się łożysko rolkowe fabrykę. Od 1999 roku działamy jako agent chińskich producentów łożysk, eksportując różne łożyska. Obecnie rozwinęliśmy się w kompleksową grupę łożyskową integrującą sprzedaż i produkcję.

Zastosowania w branży

Łożyska odgrywają również bardzo ważną rolę w maszynach rolniczych. Służą do obsługi obracających...

Łożyska są szeroko stosowane w samochodach. Są kluczowymi częściami wspierającymi i obracającymi ...

Służy do wsparcia, rotacji, motocyklowej i sprężarki części urządzeń gospodarstwa domowego.

Używane do rotacji i ruchu wsparcia i prowadzenia części sprzętu automatyzacji

W konstrukcjach budowlanych łożyska można użyć do łączenia różnych elementów strukturalnych.

W procesie produkcyjnym żywności i napojów potrzebne są pompy do transportu płynów, a sprężarki s...

Łożyska są używane w silnikach samolotów i statków kosmicznych do obsługi obrotowych komponentów,...

Wewnętrzne przekładnie przekładni, wały, koła sterujące i kostki kierownicze do pojazdów transpor...

Wiadomości i informacje

Dowiedz się więcej

2025-10-30

Application and Selection Recommendations of Deep Groov...
The deep groove ball bearing is the workhorse of the electric motor industry, serving as a critical component in everything from small appliance motors to large industrial drives. Its versatility, rel...

2025-10-24

Deep Groove Ball Bearing Installation Direction and Pre...
Proper installation is the most critical factor determining the performance, accuracy, and service life of a deep groove ball bearing. Unlike tapered roller bearings, a common point of confusion surro...

2025-10-17

How to Judge the Service Life and Wear Degree of Deep G...
Deep groove ball bearings are among the most common and versatile bearing types, found in everything from small electric motors to heavy industrial machinery. Their reliability is critical, but like a...

Skontaktuj się z nami

SUBMIT

Doradztwo techniczne

  • Firma łożysk i transmisji Shanghai Yinin

    Dostosowane rozwiązania

  • Firma łożysk i transmisji Shanghai Yinin

    Ciągłe badania i rozwój

  • Firma łożysk i transmisji Shanghai Yinin

    Kontrola jakości

  • Firma łożysk i transmisji Shanghai Yinin

    Wsparcie techniczne i szkolenia

  • Firma łożysk i transmisji Shanghai Yinin

    Szybka odpowiedź

Jeśli masz jakiekolwiek konsultacje techniczne lub uwagi, udzielimy Ci najbardziej profesjonalnej odpowiedzi tak szybko, jak to możliwe!

Skontaktuj się z nami