Seria 32300 Zwężające się łożysko rolkowe
Seria 32300 Zwężające się łożysko rolkowe
Seria 32300 Zwężające się łożysko rolkowe

Seria 32300

The Łożyska stożkowe serii 32300 to łożyska rozłączne o dużej nośności, przeznaczone do jednoczesnego przenoszenia znacznych obciążeń promieniowych i osiowych. Seria ta charakteryzuje się stromą geometrią wewnętrzną, w której kąty zwilżania bieżni wewnętrznej (stożek), bieżni zewnętrznej (płytki) i rolek stożkowych zbiegają się we wspólnym wierzchołku osi łożyska. Ta specyficzna konstrukcja zapewnia prawdziwy ruch toczny i niskie tarcie podczas pracy. Wykonane ze stali chromowej o wysokiej czystości, seria 32300 charakteryzuje się większym przekrojem poprzecznym i zwiększoną średnicą rolek w porównaniu do serii standardowych, zapewniając zwiększoną nośność i sztywność konstrukcyjną. Łożyska te są zwykle montowane parami, aby uzyskać dwukierunkowe wiązanie osiowe, co czyni je podstawowymi elementami mechanicznych przekładni mocy o dużej wytrzymałości i zespołów osi pojazdów.

Wyślij zapytanie

Dane techniczne i profil wydajności: Łożyska stożkowe serii 32300

Podstawowe zalety techniczne

  • Połączone zarządzanie obciążeniem: Zaprojektowane, aby wspierać siły ciągu i promieniowe o dużej wielkości poprzez zoptymalizowane stożkowe kąty zwilżania .
  • Oddzielne komponenty: Kubek i zespół stożka (rolki i klatka) można montować niezależnie, co ułatwia konserwację i precyzyjna regulacja luzu .
  • Wysoka stabilność wymiarowa: Specjalistyczne procesy obróbki cieplnej zapewniają trwałość łożyska tolerancje geometryczne w zmiennych warunkach termicznych.
  • Niskie tarcie operacyjne: Precyzyjnie szlifowane bieżnie minimalizują chropowatość powierzchni, redukując moment obrotowy i gromadzenie się ciepła podczas pracy szybkie obroty .

Charakterystyka techniczna

Specyfikacja materiału Wysokowęglowa chromowa stal łożyskowa GCr15
Materiał klatki Stal tłoczona / mosiądz obrabiany (w zależności od zastosowania)
Stopień precyzji P0 (normalny), P6, P5
Typ ładowania Jednokierunkowe osiowe, wysokopromieniowe
Zakres temperatur -30°C do 120°C (smarowanie standardowe)

Podstawowe scenariusze zastosowań

  • Samochodowe układy napędowe: Piasty kół samochodów ciężarowych o dużej wytrzymałości, różnice i systemy przesyłowe.
  • Maszyny przemysłowe: Podstawowe komponenty w reduktory skrzyni biegów , walcownie i urządzenia górnicze.
  • Sprzęt budowlany: Zintegrowany z przekładniami głównymi koparek i buldożerów wymagających odporność na obciążenia udarowe .
  • Inżynieria rolnicza: Wysoko obciążone punkty obrotowe i wały napędowe w ciągnikach i maszynach żniwnych.

Protokoły instalacji i konserwacji

Przechowywanie i obsługa

Łożyska należy przechowywać w czystym, suchym środowisku z min stała temperatura aby zapobiec kondensacji wilgoci. Oryginalna warstwa ochronna smaru musi pozostać nienaruszona; nie usuwaj opakowanie antykorozyjne aż do momentu montażu. Aby temu zapobiec, należy unikać układania w stosy w pionie powyżej określonej wysokości deformacja eliptyczna z pierścieni.

Środki ostrożności dotyczące użytkowania

  • Regulacja luzu osiowego: Podczas montażu gra końcowa lub wstępne ładowanie muszą być dokładnie ustawione zgodnie ze specyfikacjami producenta, aby uniknąć przedwczesnego zmęczenia lub przegrzania.
  • Kontrola zanieczyszczeń: Upewnij się, że obudowa i wał są wolne od cząstek ściernych; wykorzystać kompatybilne uszczelki w celu utrzymania czystości smaru w środowisku zewnętrznym lub zapylonym.
  • Wybór smarowania: Użyj Dodatki odporne na ekstremalne ciśnienia (EP). w smarach do zastosowań, w których występują duże obciążenia udarowe, w celu utrzymania wystarczającego filmu olejowego pomiędzy rolkami i bieżniami.
  • Weryfikacja wyrównania: Upewnij się koncentryczność wału względem obudowy mieści się w określonych granicach, aby zapobiec obciążeniu krawędzi rolek stożkowych.

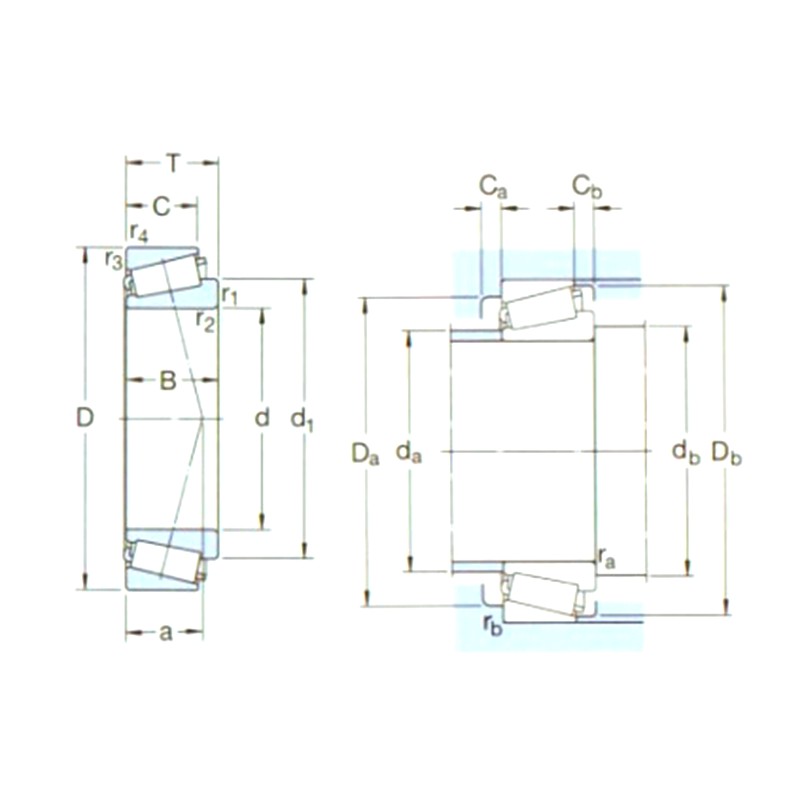
Parametry produktu

Oznacztjnie Główne wymiary (mm) Podstawowe obciążenia znamionowe (KN) Pu Wskaźniki prędkości (rpm) Waga (kg) ISO335 Wymiary (mm) Wymiary łącznika i zaokrąglenia (mm) Wartość
d1 D B dyc(Cr) stc(Cor) Oceny prędkości Ograniczenie prędkości Wymiary (ABMA) d d1~ B C r1,2(min) r3,4(min) a da(maks.) db(min) Da(min) Da(maks.) Db (min) Ca(min) Cb(min) ra(maks.) rb(maks.) e Y Yo
32303J2/Q 17 47 20,25 40 33,5 3,65 12000 16000 0,17 2FD 17 30,7 19 16 1 1 12 24 23 39 41 43 3 4 1 1 0,28 2,1 1,1
32304J2/Q 20 52 22,25 51 45,5 5 12000 14000 0,23 2FD 20 34,5 21 18 1,5 1,5 14 27 27 43 45 47 3 4 1,5 1,5 0,3 2 1,1
32305J2 25 62 25,25 60,5 63 7,1 8000 12000 0,36 2FD 25 41,7 24 20 1,5 1,5 15 33 32 52 55 57 3 5 1,5 1,5 0,3 2 1,1
32306J2/Q 30 72 28,75 88 85 9,65 7500 10000 0,55 2FD 30 48,7 27 23 1,5 1,5 18 39 37 59 65 66 3 5,5 1,5 1,5 0,31 1,9 1,1
32307J2/Q 35 80 32,75 95,2 106 12,2 6700 9000 0,73 2FE 35 54,8 31 25 2 1,5 20 44 44 66 71 74 4 7,5 2 1,5 0,31 1,9 1,1
32307BJ2/Q 35 80 32,75 93,5 114 13,2 6300 8500 0,80 5FE 35 59,3 31 25 2 1,5 24 42 44 61 71 76 4 7,5 2 1,5 0,54 1,1 0,6
32307/37BJ2/Q 37 80 32,75 93,5 114 13,2 6300 8500 0,85 - 37 54,8 31 25 2 1,5 20 44 44 66 71 74 4 7,5 2 1,5 0,54 1,1 0,6
32308J2/Q 40 90 35,25 117 140 16 5300 8000 1,00 2FD 40 62,9 33 27 2 1,5 23 51 49 73 81 82 3 8 2 1,5 0,35 1,7 0,9
32309J2/Q 45 100 38,25 140 170 20,4 4800 7000 1,35 2FD 45 70,4 36 30 2 1,5 25 57 53 82 91 93 4 8 2 1,5 0,35 1,7 0,9
32309BJ2/QCL7C 45 100 38,25 156 176 20 5000 6700 1,45 5FD 45 74,8 36 30 2 1,5 30 55 53 76 91 94 5 8 2 1,5 0,54 1,1 0,6
32310J2/Q 50 110 42,25 172 212 24 4300 6300 1,80 2FD 50 77,7 40 33 2,5 2 27 63 60 90 100 102 5 9 2 2 0,35 1,7 0,9
32310TN9 50 110 42,25 172 212 24 4300 6300 1,80 2FD 50 77,7 40 33 2,5 2 27 63 60 90 100 102 5 9 2 2 0,35 1,7 0,9
32310BJ2/QCL7C 50 110 42,25 183 216 24,5 4500 6000 1,85 5FD 50 82,9 40 33 2,5 2 34 62 60 83 100 103 5 9 2 2 0,54 1,1 0,6
32311J2 55 120 45,5 198 250 28,5 4000 5600 2,30 2FD 55 84,6 43 35 2,5 2 29 68 65 99 112 111 5 10,5 2 2 0,35 1,7 0,9
32311BJ2/QCL7C 55 120 45,5 216 260 30 4300 5600 2,50 5FD 55 90,5 43 35 2,5 2 36 67 65 91 112 112 5 10,5 2 2 0,54 1,1 0,6
32312J2/Q 60 130 48,5 229 290 34 3600 5300 2,85 2FD 60 91,7 46 37 3 2,5 31 74 72 107 118 120 6 11,5 2,5 2 0,35 1,7 0,9
32312BJ2/QCL7C 60 130 48,5 255 305 35,5 3800 5000 2,80 5FD 60 98,1 46 37 3 2,5 38 73 72 99 118 122 6 11,5 2,5 2 0,54 1,1 0,6
32313J2/Q 65 140 51 264 335 40 3400 4800 3,45 2GD 65 99,2 48 39 3 2,5 33 80 77 117 128 130 6 12 2,5 2 0,35 1,7 0,9
32313BJ2/QU4CL7CVQ267 65 140 51 285 345 40,5 3600 4800 3,35 5GD 65 105 48 39 3 2,5 41 79 77 107 128 131 6 12 2,5 2 0,54 1,1 0,6
32314J2/Q 70 150 54 297 380 45 3200 4500 4,30 2GD 70 106 51 42 3 2,5 36 86 82 125 138 140 6 12 2,5 2 0,35 1,7 0,9
32314BJ2/QCL7C 70 150 54 325 400 46,5 3400 4300 4,25 5GD 70 113 51 42 3 2,5 44 85 82 115 138 141 7 12 2,5 2 0,54 1,1 0,6
32315J2 75 160 58 336 440 51 3000 4300 5,20 2GD 75 113 55 45 3 2,5 38 92 87 133 148 149 7 13 2,5 2 0,35 1,7 0,9
32315BJ2/QCL7C 75 160 58 380 475 55 3200 4000 5,55 5GD 75 120 55 45 3 2,5 46 90 87 124 148 151 7 13 2,5 2 0,54 1,1 0,6
32316J2 80 170 61,5 380 500 57 3000 4300 6,20 2GD 80 120 58 48 3 2,5 41 98 92 142 158 159 7 13,5 2,5 2 0,35 1,7 0,9
32317J2 85 180 63,5 402 530 60 2800 4000 6,85 2GD 85 126 60 49 4 3 42 103 99 150 166 167 7 14,5 3 2,5 0,35 1,7 0,9
32317BJ2 85 180 63,5 391 560 62 2800 4000 7,50 5GD 85 135 60 49 4 3 52 102 99 138 166 169 7 14,5 3 2,5 0,54 1,1 0,6
32318J2 90 190 67,5 457 610 67 2600 4000 8,40 2GD 90 133 64 53 4 3 44 109 105 157 176 177 7 14,5 3 2,5 0,35 1,7 0,9
32319J2 95 200 71,5 501 670 72 2400 3400 11,0 2GD 95 141 67 55 4 3 47 115 110 166 186 186 8 16,5 3 2,5 0,35 1,7 0,9
32320J2 100 215 77,5 572 780 83 2200 3000 12,5 2GD 100 151 73 60 4 3 51 123 115 177 201 200 8 17,5 3 2,5 0,35 1,7 0,9
32321J2 105 225 81,5 605 815 85 2000 3000 14,5 2GD 105 158 77 63 4 3 53 129 120 185 211 209 9 18,5 3 2,5 0,35 1,7 0,9
32322 110 240 84,5 627 830 86,5 1900 2800 17,0 2GD 110 168 80 65 4 3 55 137 125 198 226 222 9 19,5 3 2,5 0,35 1,7 0,9
32324J2 120 260 90,5 792 1120 110 1800 2600 21,5 2GD 120 181 86 69 4 3 60 148 135 213 245 239 9 21,5 3 2,5 0,35 1,7 0,9

O nas Yinin

Firma łożysk i transmisji Shanghai Yinin Założona w 2009 roku, z ponad 20-letnim doświadczeniem w dziedzinie łożysk. Jesteśmy chińskim Seria 32300 Zwężające się łożysko rolkowe producentem i zapewniamy dostosowaną Seria 32300 Zwężające się łożysko rolkowe fabrykę. Od 1999 roku działamy jako agent chińskich producentów łożysk, eksportując różne łożyska. Obecnie rozwinęliśmy się w kompleksową grupę łożyskową integrującą sprzedaż i produkcję.

Zastosowania w branży

Łożyska odgrywają również bardzo ważną rolę w maszynach rolniczych. Służą do obsługi obracających...

Łożyska są szeroko stosowane w samochodach. Są kluczowymi częściami wspierającymi i obracającymi ...

Służy do wsparcia, rotacji, motocyklowej i sprężarki części urządzeń gospodarstwa domowego.

Używane do rotacji i ruchu wsparcia i prowadzenia części sprzętu automatyzacji

W konstrukcjach budowlanych łożyska można użyć do łączenia różnych elementów strukturalnych.

W procesie produkcyjnym żywności i napojów potrzebne są pompy do transportu płynów, a sprężarki s...

Łożyska są używane w silnikach samolotów i statków kosmicznych do obsługi obrotowych komponentów,...

Wewnętrzne przekładnie przekładni, wały, koła sterujące i kostki kierownicze do pojazdów transpor...

Wiadomości i informacje

Dowiedz się więcej

2026-04-30

Łożyska ze stali nierdzewnej: przewodnik porównawczy do...
Łożyska ze stali nierdzewnej należą do najpowszechniej stosowanych materiałów łożyskowych w produktach przemysłowych i konsumenckich. Oferują dobrą odporność na korozję w większości środowisk...

2026-04-23

Strategie inżynieryjne mające na celu optymalizację trw...
Firma Shanghai Yinin Bearing & Transmission Company, założona w 2016 roku jako przedsiębiorstwo zintegrowane z przemysłem i handlem, specjalizuje się w kompleksowym projektowaniu i produkcji wysoki...

2026-04-15

Jak wybrać odpowiedni luz wewnętrzny dla dwurzędowego ł...
Wpływ dużych prędkości obrotowych na luz łożyskowy Siła odśrodkowa i rozszerzalność cieplna : W zastosowaniach wymagających dużych prędkości pierścień wewnętrzny dwurzędowe łoż...

Skontaktuj się z nami

SUBMIT

Doradztwo techniczne

  • Firma łożysk i transmisji Shanghai Yinin

    Dostosowane rozwiązania

  • Firma łożysk i transmisji Shanghai Yinin

    Ciągłe badania i rozwój

  • Firma łożysk i transmisji Shanghai Yinin

    Kontrola jakości

  • Firma łożysk i transmisji Shanghai Yinin

    Wsparcie techniczne i szkolenia

  • Firma łożysk i transmisji Shanghai Yinin

    Szybka odpowiedź

Jeśli masz jakiekolwiek konsultacje techniczne lub uwagi, udzielimy Ci najbardziej profesjonalnej odpowiedzi tak szybko, jak to możliwe!

Skontaktuj się z nami