Seria 31300 Zwężające się łożysko rolkowe
Seria 31300 Zwężające się łożysko rolkowe
Seria 31300 Zwężające się łożysko rolkowe

Seria 31300

Stożkowe łożyska wałka z serii 31300 są łożyskami toczącymi o wysokiej pojemności obciążenia i doskonałej odporności na zużycie i są szeroko stosowane w różnych urządzeniach przemysłowych i maszynach. Ta seria łożysk przyjmuje stożkowy konstrukcja rolki i może wytrzymać obciążenia promieniowe i osiowe. Nadaje się do stosowania w środowiskach operacyjnych o dużym obciążeniu i szybkim. Jego cechy strukturalne obejmują zwężające się powierzchnie kontaktowe na wewnętrznych i zewnętrznych pierścieniach, zapewniając precyzyjne dopasowanie rolek i bieżni, zmniejszając w ten sposób tarcie i wytwarzanie ciepła. Materiał łożysk z serii 31300 to zwykle wysokiej jakości stal stopowa, która jest poddana obróbce cieplnej w celu zwiększenia twardości i trwałości. Ponadto łożysko to ma również dobre możliwości samodawności, które mogą zrekompensować odchylenia spowodowane niewłaściwą instalacją lub zginaniem wału, przedłużając żywotność usług. Wspólne obszary aplikacji obejmują przemysł motoryzacyjny, maszyny wydobywcze, sprzęt metalurgiczny i loteria.

Wyślij zapytanie

Parametry produktu

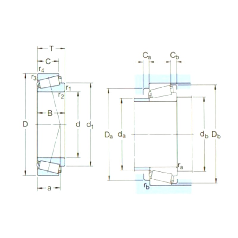
OznAczminie Główne wymiary (mm) PoDstawowe oceny obciążenia (kN) Pu Oceny prędkości (RPM) Waga (kg) ISO335 Wymiary (mm) Wymiary tytułu i filetu (mm) Wartość
D1 D B DYC (CR) STC (COR) Oceny prędkości Ograniczanie prędkości Wymiary (ABMA) d D1 ~ B C R1,2 (min) R3,4 (min) a DA (Max) db (min) Da (min) DA (Max) Db (min) CA (min) CB (min) RA (Max) RB (Max) e Y Yo
31305J2 25 62 18,25 38 40 4,4 7500 11000 0,26 7FB 25 45,8 17 13 1,5 1,5 20 34 32 47 55 59 3 5 1,5 1,5 0,83 0,72 0,4
31306J2/Q. 30 72 20,75 55 50 5,7 7500 9500 0,39 7FB 30 52,7 19 14 1,5 1,5 22 40 37 55 65 68 3 6,5 1,5 1,5 0,83 0,72 0,4
31307J2/Q. 35 80 22,75 71 67 7,8 6300 8500 0,52 7FB 35 59,6 21 15 2 1,5 25 45 44 62 71 76 3 7,5 2 1,5 0,83 0,72 0,4
31308J2/QCL7C 40 90 25,25 85 81,5 9,5 5600 7500 0,72 7FB 40 67,1 23 17 2 1,5 28 51 49 71 81 86 3 8 2 1,5 0,83 0,72 0,4
31309J2/QCL7C 45 100 27,25 106 102 12,5 5000 6700 0,95 7FB 45 74,7 25 18 2 1,5 31 57 53 79 91 95 4 9 2 1,5 0,83 0,72 0,4
31310J2/QCL7C 50 110 29,25 122 120 14,3 4500 6000 1,20 7FB 50 81,5 27 19 2,5 2 34 62 60 87 100 104 4 10 2 2 0,83 0,72 0,4
31311J2/QCL7C 55 120 31,5 140 137 16,6 4300 5600 1,55 7FB 55 88,4 29 21 2,5 2 37 68 65 94 112 113 4 10,5 2 2 0,83 0,72 0,4
31312J2/QCL7C 60 130 33,5 166 166 20,4 3800 5300 1,90 7FB 60 95,9 31 22 3 2,5 39 74 72 103 118 123 5 11,5 2,5 2 0,83 0,72 0,4
31313J2/QCL7C 65 140 36 190 193 23,6 3600 4800 2,35 7 GB 65 103 33 23 3 2,5 42 80 77 111 128 132 5 13 2,5 2 0,83 0,72 0,4
31314J2/QCL7C 70 150 38 216 220 27 3400 4500 2,95 7 GB 70 110 35 25 3 2,5 45 85 82 118 138 141 5 13 2,5 2 0,83 0,72 0,4
31315J2/QCL7C 75 160 40 240 245 29 3200 4300 3,50 7 GB 75 116 37 26 3 2,5 48 91 87 127 148 151 6 14 2,5 2 0,83 0,72 0,4
31316J1/QCL7C 80 170 42,5 260 265 32 3000 4000 4,05 7 GB 80 124 39 27 3 2,5 52 97 92 134 158 159 6 15,5 2,5 2 0,83 0,72 0,4
31317J2 85 180 44,5 242 285 33,5 2600 3800 4,60 7 GB 85 131 41 28 4 3 55 103 99 143 166 169 6 16,5 3 2,5 0,83 0,72 0,4
31318J2 90 190 46,5 264 315 36,5 2400 3400 5,90 7 GB 90 138 43 30 4 3 57 109 105 151 176 179 5 16,5 3 2,5 0,83 0,72 0,4
31319J2 95 200 49,5 292 355 39 2400 3400 6,95 7 GB 95 145 45 32 4 3 60 114 110 157 186 187 5 17,5 3 2,5 0,83 0,72 0,4
31320XJ2/CL7CVQ051 100 215 56,5 430 465 51 2400 3000 8,60 7 GB 100 158 51 35 4 3 65 121 115 168 201 202 7 21,5 3 2,5 0,83 0,72 0,4
31322XJ2 110 240 63 457 585 62 1900 2800 12,0 7 GB 110 176 57 38 4 3 72 135 125 188 226 224 7 25 3 2,5 0,83 0,72 0,4
31324xj2 120 260 68 539 695 73,5 1700 2400 15,5 7 GB 120 190 62 42 4 3 78 145 135 203 245 244 9 26 3 2,5 0,83 0,72 0,4
31326xj2 130 280 72 605 780 81,5 1600 2400 18,5 7 GB 130 204 66 44 5 4 84 157 150 218 263 261 8 28 4 3 0,83 0,72 0,4
31328XJ2 140 300 77 693 900 88 1500 2200 24,5 7 GB 140 219 70 47 5 4 90 169 160 235 283 280 9 30 4 3 0,83 0,72 0,4
31330xj2 150 320 82 781 1020 100 1400 2000 29,5 7 GB 150 234 75 50 5 4 96 181 170 251 303 300 9 32 4 3 0,83 0,72 0,4

O nas Yinin

Firma łożysk i transmisji Shanghai Yinin Założona w 2009 roku, z ponad 20-letnim doświadczeniem w dziedzinie łożysk. Jesteśmy chińskim Seria 31300 Zwężające się łożysko rolkowe producentem i zapewniamy dostosowaną Seria 31300 Zwężające się łożysko rolkowe fabrykę. Od 1999 roku działamy jako agent chińskich producentów łożysk, eksportując różne łożyska. Obecnie rozwinęliśmy się w kompleksową grupę łożyskową integrującą sprzedaż i produkcję.

Zastosowania w branży

Łożyska odgrywają również bardzo ważną rolę w maszynach rolniczych. Służą do obsługi obracających...

Łożyska są szeroko stosowane w samochodach. Są kluczowymi częściami wspierającymi i obracającymi ...

Służy do wsparcia, rotacji, motocyklowej i sprężarki części urządzeń gospodarstwa domowego.

Używane do rotacji i ruchu wsparcia i prowadzenia części sprzętu automatyzacji

W konstrukcjach budowlanych łożyska można użyć do łączenia różnych elementów strukturalnych.

W procesie produkcyjnym żywności i napojów potrzebne są pompy do transportu płynów, a sprężarki s...

Łożyska są używane w silnikach samolotów i statków kosmicznych do obsługi obrotowych komponentów,...

Wewnętrzne przekładnie przekładni, wały, koła sterujące i kostki kierownicze do pojazdów transpor...

Wiadomości i informacje

Dowiedz się więcej

2025-10-30

Application and Selection Recommendations of Deep Groov...
The deep groove ball bearing is the workhorse of the electric motor industry, serving as a critical component in everything from small appliance motors to large industrial drives. Its versatility, rel...

2025-10-24

Deep Groove Ball Bearing Installation Direction and Pre...
Proper installation is the most critical factor determining the performance, accuracy, and service life of a deep groove ball bearing. Unlike tapered roller bearings, a common point of confusion surro...

2025-10-17

How to Judge the Service Life and Wear Degree of Deep G...
Deep groove ball bearings are among the most common and versatile bearing types, found in everything from small electric motors to heavy industrial machinery. Their reliability is critical, but like a...

Skontaktuj się z nami

SUBMIT

Doradztwo techniczne

  • Firma łożysk i transmisji Shanghai Yinin

    Dostosowane rozwiązania

  • Firma łożysk i transmisji Shanghai Yinin

    Ciągłe badania i rozwój

  • Firma łożysk i transmisji Shanghai Yinin

    Kontrola jakości

  • Firma łożysk i transmisji Shanghai Yinin

    Wsparcie techniczne i szkolenia

  • Firma łożysk i transmisji Shanghai Yinin

    Szybka odpowiedź

Jeśli masz jakiekolwiek konsultacje techniczne lub uwagi, udzielimy Ci najbardziej profesjonalnej odpowiedzi tak szybko, jak to możliwe!

Skontaktuj się z nami