Miniaturowe łożyska kulkowe serii metrycznych są rodzajem łożyska szeroko stosowanego w maszynach precyzyjnych, szczególnie odpowiednich do sprzętu o ograniczonych przestrzeni i wymaganiach o wysokiej wydajności. Takie łożyska są zwykle wytwarzane z wysokiej jakości materiałów, aby zapewnić ich trwałość i stabilność. Jego konstrukcja kołnierza zapewnia dodatkowe wsparcie, ułatwia instalację, a także może skutecznie zmniejszyć przemieszczenie łożyska podczas pracy. Kluczowe cechy tego mini łożyska kulki obejmują niski współczynnik tarcia, dużą zdolność prędkości obrotowej i doskonałą pojemność obciążenia. Są odpowiednie do różnych aplikacji, takich jak elektronarzędzia, roboty, drukarki i małe silniki. Jeśli chodzi o projekt, miniaturowe łożyska kulowe serii metrycznych zwracają również uwagę na szczegóły i są zwykle dostępne w różnych rozmiarach i konfiguracjach, aby zaspokoić potrzeby różnych urządzeń. Łożyska są zwykle wstępnie inwrygowane lub zapieczętowane.
Parametry produktu
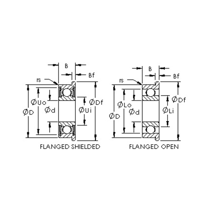
| Numer proDuktu | Typ łożyska | Wymiary (mm) | Podstawowa ocena obciążenia (N) | |||||
| d | D | B | Df | Bf | Dynamiczny ocena obciążenia (CR) | Ocena obciążenia statycznego (COR) | ||
| F691 | Otwarte kołnierzowe łożyska kulkowe | 1 | 4 | 1.6 | 5 | 0.5 | 120 | 30 |
| MF41X | Otwarte kołnierzowe łożyska kulkowe | 1.2 | 4 | 1.8 | 4.8 | 0.4 | 95 | 26 |
| F681X | Otwarte kołnierzowe łożyska kulkowe | 1.5 | 4 | 1.2 | 5 | 0.4 | 95 | 26 |
| F681xzz | Zapieczętowane łożyska kulkowe | 1.5 | 4 | 2 | 5 | 0.6 | 95 | 26 |
| F691X | Otwarte kołnierzowe łożyska kulkowe | 1.5 | 5 | 2 | 6.5 | 0.6 | 144 | 40 |
| F691xzz | Zapieczętowane łożyska kulkowe | 1.5 | 5 | 2.6 | 6.5 | 0.8 | 144 | 40 |
| F601X | Otwarte kołnierzowe łożyska kulkowe | 1.5 | 6 | 2.5 | 7.5 | 0.6 | 281 | 79 |
| F601xzz | Zapieczętowane łożyska kulkowe | 1.5 | 6 | 3 | 7.5 | 0.8 | 281 | 79 |
| F682 | Otwarte kołnierzowe łożyska kulkowe | 2 | 5 | 1.5 | 6.1 | 0.5 | 144 | 40 |
| F682 2rs | Zapieczętowane łożyska kulkowe | 2 | 5 | 1.5 | 6.1 | 0.5 | 144 | 40 |
| F682zz | Zapieczętowane łożyska kulkowe | 2 | 5 | 2.3 | 6.1 | 0.6 | 144 | 40 |
| MF52 | Otwarte kołnierzowe łożyska kulkowe | 2 | 5 | 2 | 6.2 | 0.6 | 144 | 40 |
| MF52 2RS | Zapieczętowane łożyska kulkowe | 2 | 5 | 2 | 6.2 | 0.6 | 144 | 40 |
| MF52zz | Zapieczętowane łożyska kulkowe | 2 | 5 | 2.5 | 6.2 | 0.6 | 144 | 40 |
| F692 | Otwarte kołnierzowe łożyska kulkowe | 2 | 6 | 2.3 | 7.5 | 0.6 | 281 | 79 |
| F692 2rs | Zapieczętowane łożyska kulkowe | 2 | 6 | 3 | 7.5 | 0.8 | 281 | 79 |
| F692zz | Zapieczętowane łożyska kulkowe | 2 | 6 | 3 | 7.5 | 0.8 | 281 | 79 |
| MF62 | Otwarte kołnierzowe łożyska kulkowe | 2 | 6 | 2.5 | 7.2 | 0.6 | 281 | 79 |
| MF62 2rs | Zapieczętowane łożyska kulkowe | 2 | 6 | 2.5 | 7.2 | 0.6 | 281 | 79 |
| MF62zz | Zapieczętowane łożyska kulkowe | 2 | 6 | 2.5 | 7.2 | 0.6 | 281 | 79 |
| MF72 | Otwarte kołnierzowe łożyska kulkowe | 2 | 7 | 2.5 | 8.2 | 0.6 | 328 | 103 |
| MF72 2rs | Zapieczętowane łożyska kulkowe | 2 | 7 | 3 | 8.2 | 0.6 | 328 | 103 |
| MF72zz | Zapieczętowane łożyska kulkowe | 2 | 7 | 3 | 8.2 | 0.6 | 328 | 103 |
| F602 | Otwarte kołnierzowe łożyska kulkowe | 2 | 7 | 2.8 | 8.5 | 0.7 | 328 | 103 |
| F602 2rs | Zapieczętowane łożyska kulkowe | 2 | 7 | 2.8 | 8.5 | 0.7 | 328 | 103 |
| F602zz | Zapieczętowane łożyska kulkowe | 2 | 7 | 3.5 | 8.5 | 0.9 | 328 | 103 |
| F682X | Otwarte kołnierzowe łożyska kulkowe | 2.5 | 6 | 1.8 | 7.1 | 0.5 | 178 | 59 |
| F682x 2rs | Zapieczętowane łożyska kulkowe | 2.5 | 6 | 1.8 | 7.1 | 0.5 | 178 | 59 |
| F682xzz | Zapieczętowane łożyska kulkowe | 2.5 | 6 | 2.6 | 7.1 | 0.8 | 178 | 59 |
| F692X | Otwarte kołnierzowe łożyska kulkowe | 2.5 | 7 | 2.5 | 8.5 | 0.7 | 328 | 103 |
| F692X 2rs | Zapieczętowane łożyska kulkowe | 2.5 | 7 | 3.5 | 8.5 | 0.9 | 328 | 103 |
| F692xzz | Zapieczętowane łożyska kulkowe | 2.5 | 7 | 3.5 | 8.5 | 0.9 | 328 | 103 |
| MF82X | Otwarte kołnierzowe łożyska kulkowe | 2.5 | 8 | 2.5 | 9.2 | 0.6 | 180 | 67 |
| MF82X 2RS | Zapieczętowane łożyska kulkowe | 2.5 | 8 | 2.5 | 9.2 | 0.6 | 180 | 67 |
| MF82xzz | Zapieczętowane łożyska kulkowe | 2.5 | 8 | 2.5 | 9.2 | 0.6 | 180 | 67 |
| F602X | Otwarte kołnierzowe łożyska kulkowe | 2.5 | 8 | 2.8 | 9.5 | 0.7 | 469 | 142 |
| F602X 2RS | Zapieczętowane łożyska kulkowe | 2.5 | 8 | 4 | 9.5 | 0.9 | 469 | 142 |
| F602xzz | Zapieczętowane łożyska kulkowe | 2.5 | 8 | 4 | 9.5 | 0.9 | 469 | 142 |
| MF63 | Otwarte kołnierzowe łożyska kulkowe | 3 | 6 | 2 | 7.2 | 0.6 | 178 | 59 |
| MF63 2RS | Zapieczętowane łożyska kulkowe | 3 | 6 | 2 | 7.2 | 0.6 | 178 | 59 |
| MF63zz | Zapieczętowane łożyska kulkowe | 3 | 6 | 2.5 | 7.2 | 0.6 | 178 | 59 |
| F683 | Otwarte kołnierzowe łożyska kulkowe | 3 | 7 | 2 | 8.1 | 0.5 | 264 | 90 |
| F683 2rs | Zapieczętowane łożyska kulkowe | 3 | 7 | 3 | 8.1 | 0.8 | 264 | 90 |
| F683zz | Zapieczętowane łożyska kulkowe | 3 | 7 | 3 | 8.1 | 0.8 | 264 | 90 |
| MF83 | Otwarte kołnierzowe łożyska kulkowe | 3 | 8 | 2.5 | 9.2 | 0.6 | 336 | 113 |
| MF83 2RS | Zapieczętowane łożyska kulkowe | 3 | 8 | 2.5 | 9.2 | 0.6 | 336 | 113 |
| MF83zz | Zapieczętowane łożyska kulkowe | 3 | 8 | 3 | 9.2 | 0.6 | 336 | 113 |
| F693 | Otwarte kołnierzowe łożyska kulkowe | 3 | 8 | 3 | 9.5 | 0.7 | 474 | 114 |
| F693 2rs | Zapieczętowane łożyska kulkowe | 3 | 8 | 4 | 9.5 | 0.9 | 474 | 144 |
| F693zz | Zapieczętowane łożyska kulkowe | 3 | 8 | 4 | 9.5 | 0.9 | 474 | 144 |
| MF93 | Otwarte kołnierzowe łożyska kulkowe | 3 | 9 | 2.5 | 10.2 | 0.6 | 485 | 151 |
| MF93 2R | Zapieczętowane łożyska kulkowe | 3 | 9 | 2.5 | 10.2 | 0.6 | 485 | 151 |
| MF93zz | Zapieczętowane łożyska kulkowe | 3 | 9 | 4 | 10.6 | 0.8 | 485 | 151 |
| F603 | Otwarte kołnierzowe łożyska kulkowe | 3 | 9 | 3 | 10.5 | 0.7 | 230 | 151 |
| F603 2rs | Zapieczętowane łożyska kulkowe | 3 | 9 | 5 | 10.5 | 0.7 | 230 | 151 |
| F603zz | Zapieczętowane łożyska kulkowe | 3 | 9 | 5 | 10.5 | 1 | 230 | 151 |
| F623 | Otwarte kołnierzowe łożyska kulkowe | 3 | 10 | 4 | 11.5 | 1 | 536 | 175 |
| F623 2rs | Zapieczętowane łożyska kulkowe | 3 | 10 | 4 | 11.5 | 1 | 536 | 175 |
| F623zz | Zapieczętowane łożyska kulkowe | 3 | 10 | 4 | 11.5 | 1 | 536 | 175 |
| MF74 | Otwarte kołnierzowe łożyska kulkowe | 4 | 7 | 2 | 8.2 | 0.6 | 264 | 92 |
| MF74 2rs | Zapieczętowane łożyska kulkowe | 4 | 7 | 2 | 8.2 | 0.6 | 264 | 92 |
| MF74zz | Zapieczętowane łożyska kulkowe | 4 | 7 | 2.5 | 8.2 | 0.6 | 217 | 86 |
| MF84 | Otwarte kołnierzowe łożyska kulkowe | 4 | 8 | 2 | 9.2 | 0.6 | 336 | 113 |
| MF84 2rs | Zapieczętowane łożyska kulkowe | 4 | 8 | 2 | 9.2 | 0.6 | 336 | 113 |
| MF84zz | Zapieczętowane łożyska kulkowe | 4 | 8 | 3 | 9.2 | 0.6 | 336 | 113 |
| F684 | Otwarte kołnierzowe łożyska kulkowe | 4 | 9 | 2.5 | 10.3 | 0.6 | 545 | 182 |
| F684 2rs | Zapieczętowane łożyska kulkowe | 4 | 9 | 4 | 10.3 | 1 | 545 | 182 |
| F684zz | Zapieczętowane łożyska kulkowe | 4 | 9 | 4 | 10.3 | 1 | 545 | 182 |
| MF104 | Otwarte kołnierzowe łożyska kulkowe | 4 | 10 | 3 | 11.2 | 0.6 | 604 | 218 |
| MF104 2RS | Zapieczętowane łożyska kulkowe | 4 | 10 | 4 | 11.6 | 0.8 | 604 | 218 |
| MF104zz | Zapieczętowane łożyska kulkowe | 4 | 10 | 4 | 11.6 | 0.8 | 604 | 218 |
| F694 | Otwarte kołnierzowe łożyska kulkowe | 4 | 11 | 4 | 12.5 | 1 | 814 | 280 |
| F694 2rs | Zapieczętowane łożyska kulkowe | 4 | 11 | 4 | 12.5 | 1 | 814 | 280 |
| F694zz | Zapieczętowane łożyska kulkowe | 4 | 11 | 4 | 12.5 | 1 | 814 | 280 |
| F604 | Otwarte kołnierzowe łożyska kulkowe | 4 | 12 | 4 | 13.5 | 1 | 814 | 280 |
| F604 2rs | Zapieczętowane łożyska kulkowe | 4 | 12 | 5 | 13.5 | 1 | 814 | 280 |
| F604zz | Zapieczętowane łożyska kulkowe | 4 | 12 | 5 | 13.5 | 1 | 814 | 280 |
| F624 | Otwarte kołnierzowe łożyska kulkowe | 4 | 13 | 5 | 15 | 1 | 1106 | 390 |
| F624 2rs | Zapieczętowane łożyska kulkowe | 4 | 13 | 5 | 15 | 1 | 1106 | 390 |
| F624zz | Zapieczętowane łożyska kulkowe | 4 | 13 | 5 | 15 | 1 | 1106 | 390 |
| F634 | Otwarte kołnierzowe łożyska kulkowe | 4 | 16 | 5 | 18 | 1 | 1139 | 418 |
| F634 2rs | Zapieczętowane łożyska kulkowe | 4 | 16 | 5 | 18 | 1 | 1139 | 418 |
| F634zz | Zapieczętowane łożyska kulkowe | 4 | 16 | 5 | 18 | 1 | 1139 | 418 |
| MF85 | Otwarte kołnierzowe łożyska kulkowe | 5 | 8 | 2 | 9.2 | 0.6 | 262 | 96 |
| MF85 2RS | Zapieczętowane łożyska kulkowe | 5 | 8 | 2.5 | 9.2 | 0.6 | 185 | 72 |
| MF85zz | Zapieczętowane łożyska kulkowe | 5 | 8 | 2.5 | 9.2 | 0.6 | 185 | 72 |
| MF95 | Otwarte kołnierzowe łożyska kulkowe | 5 | 9 | 2.5 | 10.2 | 0.6 | 366 | 135 |
| MF95 2rs | Zapieczętowane łożyska kulkowe | 5 | 9 | 3 | 10.2 | 0.6 | 366 | 135 |
| MF95zz | Zapieczętowane łożyska kulkowe | 5 | 9 | 3 | 10.2 | 0.6 | 366 | 135 |
| MF105 | Otwarte kołnierzowe łożyska kulkowe | 5 | 10 | 3 | 11.2 | 0.6 | 366 | 135 |
| MF105 2RS | Zapieczętowane łożyska kulkowe | 5 | 10 | 4 | 11.6 | 0.8 | 366 | 135 |
| MF105zz | Zapieczętowane łożyska kulkowe | 5 | 10 | 4 | 11.6 | 0.8 | 366 | 135 |
| MF115 2RS | Zapieczętowane łożyska kulkowe | 5 | 11 | 4 | 12.6 | 0.8 | 609 | 226 |
| MF115zz | Oszyte łożyska kulkowe | 5 | 11 | 4 | 12.6 | 0.8 | 609 | 226 |
| MF115 | Otwarte kołnierzowe łożyska kulkowe | 5 | 11 | 4 | 12.6 | 0.8 | 609 | 226 |
| F685 | Otwarte kołnierzowe łożyska kulkowe | 5 | 11 | 3 | 12.5 | 0.8 | 609 | 226 |
| F685 2rs | Zapieczętowane łożyska kulkowe | 5 | 11 | 5 | 12.5 | 1 | 609 | 226 |
| F685zz | Zapieczętowane łożyska kulkowe | 5 | 11 | 5 | 12.5 | 1 | 609 | 226 |
| F695 | Otwarte kołnierzowe łożyska kulkowe | 5 | 13 | 4 | 15 | 1 | 916 | 346 |
| F695 2rs | Zapieczętowane łożyska kulkowe | 5 | 13 | 4 | 15 | 1 | 916 | 346 |
| F695zz | Zapieczętowane łożyska kulkowe | 5 | 13 | 4 | 15 | 1 | 916 | 346 |
| F605 | Otwarte kołnierzowe łożyska kulkowe | 5 | 14 | 5 | 16 | 1 | 1130 | 406 |
| F605 2rs | Zapieczętowane łożyska kulkowe | 5 | 14 | 5 | 16 | 1 | 1130 | 406 |
| F605zz | Zapieczętowane łożyska kulkowe | 5 | 14 | 5 | 16 | 1 | 1130 | 406 |
| F625 | Otwarte kołnierzowe łożyska kulkowe | 5 | 16 | 5 | 18 | 1 | 1470 | 540 |
| F625 2rs | Zapieczętowane łożyska kulkowe | 5 | 16 | 5 | 18 | 1 | 1470 | 540 |
| F625zz | Zapieczętowane łożyska kulkowe | 5 | 16 | 5 | 18 | 1 | 1470 | 540 |
| F635 | Otwarte kołnierzowe łożyska kulkowe | 5 | 19 | 6 | 22 | 1.5 | 1986 | 717 |
| F635 2rs | Zapieczętowane łożyska kulkowe | 5 | 19 | 6 | 22 | 1.5 | 1986 | 717 |
| F635zz | Zapieczętowane łożyska kulkowe | 5 | 19 | 6 | 22 | 1.5 | 1986 | 717 |
| MF106 | Otwarte kołnierzowe łożyska kulkowe | 6 | 10 | 2.5 | 11.2 | 0.6 | 422 | 174 |
| MF106 2RS | Zapieczętowane łożyska kulkowe | 6 | 10 | 3 | 11.2 | 0.6 | 422 | 174 |
| MF106zz | Zapieczętowane łożyska kulkowe | 6 | 10 | 3 | 11.2 | 0.6 | 422 | 174 |
| MF126 | Otwarte kołnierzowe łożyska kulkowe | 6 | 12 | 3 | 13.2 | 0.6 | 609 | 236 |
| MF126 2RS | Zapieczętowane łożyska kulkowe | 6 | 12 | 4 | 13.6 | 0.8 | 609 | 236 |
| MF126zz | Zapieczętowane łożyska kulkowe | 6 | 12 | 4 | 13.6 | 0.8 | 609 | 236 |
| F686 | Otwarte kołnierzowe łożyska kulkowe | 6 | 13 | 3.5 | 15 | 1 | 920 | 354 |
| F686 2rs | Zapieczętowane łożyska kulkowe | 6 | 13 | 5 | 15 | 1.1 | 920 | 354 |
| F686zz | Zapieczętowane łożyska kulkowe | 6 | 13 | 5 | 15 | 1.1 | 920 | 354 |
| F696 | Otwarte kołnierzowe łożyska kulkowe | 6 | 15 | 5 | 17 | 1.2 | 1139 | 418 |
| F696 2rs | Zapieczętowane łożyska kulkowe | 6 | 15 | 5 | 17 | 1.2 | 1139 | 418 |
| F696zz | Zapieczętowane łożyska kulkowe | 6 | 15 | 5 | 17 | 1.2 | 1139 | 418 |
| F606 | Otwarte kołnierzowe łożyska kulkowe | 6 | 17 | 6 | 19 | 1.2 | 1924 | 677 |
| F606 2rs | Zapieczętowane łożyska kulkowe | 6 | 17 | 6 | 19 | 1.2 | 1924 | 677 |
| F606zz | Zapieczętowane łożyska kulkowe | 6 | 17 | 6 | 19 | 1.2 | 1924 | 677 |
| F626 | Otwarte kołnierzowe łożyska kulkowe | 6 | 19 | 6 | 22 | 1.5 | 1986 | 717 |
| F626 2rs | Zapieczętowane łożyska kulkowe | 6 | 19 | 6 | 22 | 1.5 | 1986 | 717 |
| F626zz | Zapieczętowane łożyska kulkowe | 6 | 19 | 6 | 22 | 1.5 | 1986 | 717 |
| MF117 | Otwarte kołnierzowe łożyska kulkowe | 7 | 11 | 2.5 | 12.2 | 0.6 | 387 | 162 |
| MF117 2rs | Zapieczętowane łożyska kulkowe | 7 | 11 | 3 | 12.2 | 0.6 | 387 | 162 |
| MF117zz | Zapieczętowane łożyska kulkowe | 7 | 11 | 3 | 12.2 | 0.6 | 387 | 162 |
| MF137 | Otwarte kołnierzowe łożyska kulkowe | 7 | 13 | 3 | 14.2 | 0.6 | 460 | 221 |
| MF137 2RS | Zapieczętowane łożyska kulkowe | 7 | 13 | 4 | 14.6 | 0.8 | 460 | 221 |
| MF137zz | Zapieczętowane łożyska kulkowe | 7 | 13 | 4 | 14.6 | 0.8 | 460 | 221 |
| F687 | Otwarte kołnierzowe łożyska kulkowe | 7 | 14 | 3.5 | 16 | 1 | 997 | 410 |
| F687 2rs | Zapieczętowane łożyska kulkowe | 7 | 14 | 5 | 16 | 1.1 | 997 | 410 |
| F687zz | Zapieczętowane łożyska kulkowe | 7 | 14 | 5 | 16 | 1.1 | 997 | 410 |
| F697 | Otwarte kołnierzowe łożyska kulkowe | 7 | 17 | 5 | 19 | 1.2 | 1364 | 575 |
| F697 2rs | Zapieczętowane łożyska kulkowe | 7 | 17 | 5 | 19 | 1.2 | 1364 | 575 |
| F697zz | Zapieczętowane łożyska kulkowe | 7 | 17 | 5 | 19 | 1.2 | 1364 | 575 |
| F607 | Otwarte kołnierzowe łożyska kulkowe | 7 | 19 | 6 | 22 | 1.5 | 1986 | 717 |
| F607 2rs | Zapieczętowane łożyska kulkowe | 7 | 19 | 6 | 22 | 1.5 | 1986 | 717 |
| F607zz | Zapieczętowane łożyska kulkowe | 7 | 19 | 6 | 22 | 1.5 | 1986 | 717 |
| F627 | Otwarte kołnierzowe łożyska kulkowe | 7 | 22 | 7 | 25 | 1.5 | 2794 | 1103 |
| F627 2rs | Zapieczętowane łożyska kulkowe | 7 | 22 | 7 | 25 | 1.5 | 2794 | 1103 |
| F627zz | Zapieczętowane łożyska kulkowe | 7 | 22 | 7 | 25 | 1.5 | 2794 | 1103 |
| MF128 | Otwarte kołnierzowe łożyska kulkowe | 8 | 12 | 2.5 | 13.2 | 0.6 | 462 | 219 |
| MF128 2RS | Zapieczętowane łożyska kulkowe | 8 | 12 | 3.5 | 13.6 | 0.8 | 462 | 219 |
| MF128zz | Zapieczętowane łożyska kulkowe | 8 | 12 | 3.5 | 13.6 | 0.8 | 462 | 219 |
| MF148 | Otwarte kołnierzowe łożyska kulkowe | 8 | 14 | 3.5 | 15.6 | 0.8 | 695 | 309 |
| MF148 2RS | Zapieczętowane łożyska kulkowe | 8 | 14 | 4 | 15.6 | 0.8 | 695 | 309 |
| MF148zz | Zapieczętowane łożyska kulkowe | 8 | 14 | 4 | 15.6 | 0.8 | 695 | 309 |
| F688 | Otwarte kołnierzowe łożyska kulkowe | 8 | 16 | 4 | 18 | 1 | 1064 | 474 |
| F688 2rs | Zapieczętowane łożyska kulkowe | 8 | 16 | 5 | 18 | 1.1 | 1064 | 474 |
| F688zz | Zapieczętowane łożyska kulkowe | 8 | 16 | 5 | 18 | 1.1 | 1064 | 474 |
| F698 | Otwarte kołnierzowe łożyska kulkowe | 8 | 19 | 6 | 22 | 1.5 | 1902 | 734 |
| F698 2rs | Zapieczętowane łożyska kulkowe | 8 | 19 | 6 | 22 | 1.5 | 1902 | 734 |
| F698zz | Zapieczętowane łożyska kulkowe | 8 | 19 | 6 | 22 | 1.5 | 1902 | 734 |
| F608 | Otwarte kołnierzowe łożyska kulkowe | 8 | 22 | 7 | 25 | 1.5 | 2799 | 1103 |
| F608 2rs | Zapieczętowane łożyska kulkowe | 8 | 22 | 7 | 25 | 1.5 | 2799 | 1103 |
| F608zz | Zapieczętowane łożyska kulkowe | 8 | 22 | 7 | 25 | 1.5 | 2799 | 1103 |
| F679 | Otwarte kołnierzowe łożyska kulkowe | 9 | 14 | 3 | 15.5 | 0.8 | 781 | 374 |
| F679 2rs | Zapieczętowane łożyska kulkowe | 9 | 14 | 4.5 | 15.5 | 0.8 | 781 | 374 |
| F679zz | Zapieczętowane łożyska kulkowe | 9 | 14 | 4.5 | 15.5 | 0.8 | 781 | 374 |
| F689 | Otwarte kołnierzowe łożyska kulkowe | 9 | 17 | 4 | 19 | 1 | 1128 | 534 |
| F689 2rs | Zapieczętowane łożyska kulkowe | 9 | 17 | 5 | 19 | 1.1 | 1128 | 534 |
| F689zz | Zapieczętowane łożyska kulkowe | 9 | 17 | 5 | 19 | 1.1 | 1128 | 534 |
| F699 | Otwarte kołnierzowe łożyska kulkowe | 9 | 20 | 6 | 23 | 1.5 | 2097 | 865 |
| F699 2rs | Zapieczętowane łożyska kulkowe | 9 | 20 | 6 | 23 | 1.5 | 2097 | 865 |
| F699zz | Zapieczętowane łożyska kulkowe | 9 | 20 | 6 | 23 | 1.5 | 2097 | 865 |
| F609 | Otwarte kołnierzowe łożyska kulkowe | 9 | 24 | 7 | 27 | 1.5 | 2853 | 1155 |
| F609 2rs | Zapieczętowane łożyska kulkowe | 9 | 24 | 7 | 27 | 1.5 | 2853 | 1155 |
| F609zz | Zapieczętowane łożyska kulkowe | 9 | 24 | 7 | 27 | 1.5 | 2853 | 1155 |
O nas Yinin
Zastosowania w branży
Wiadomości i informacje
Skontaktuj się z nami
Doradztwo techniczne
Dostosowane rozwiązania
Ciągłe badania i rozwój
Kontrola jakości
Wsparcie techniczne i szkolenia
Szybka odpowiedź
Jeśli masz jakiekolwiek konsultacje techniczne lub uwagi, udzielimy Ci najbardziej profesjonalnej odpowiedzi tak szybko, jak to możliwe!